新闻资讯
新闻资讯
- 《山东省消防条例》2025最新版 2026年1月1日实施
- 室外疏散楼梯2m范围内可以设置防火窗吗?
- 货梯前装防火卷帘隔离,消防联动测试货梯需要联动迫降吗?
- 什么是消防水炮的射流半径、监控半径、最大保护半径
- 储油罐冷却系统的选择问题
联系我们
厂家:RAYBET雷竞技入口检测设备厂家
手机:15262554119
电话:4006-598-119
邮箱:18751140119@163.com
地址:江苏省苏州市常熟市黄河路275号119室
消防新闻
《消防技术服务机构从业条件》印发文件+全文
- 作者:四川消防检测设备
- 发布时间:2019-09-12 07:50:00
- 来源:/
- 点击:1067
《消防技术服务机构从业条件》印发









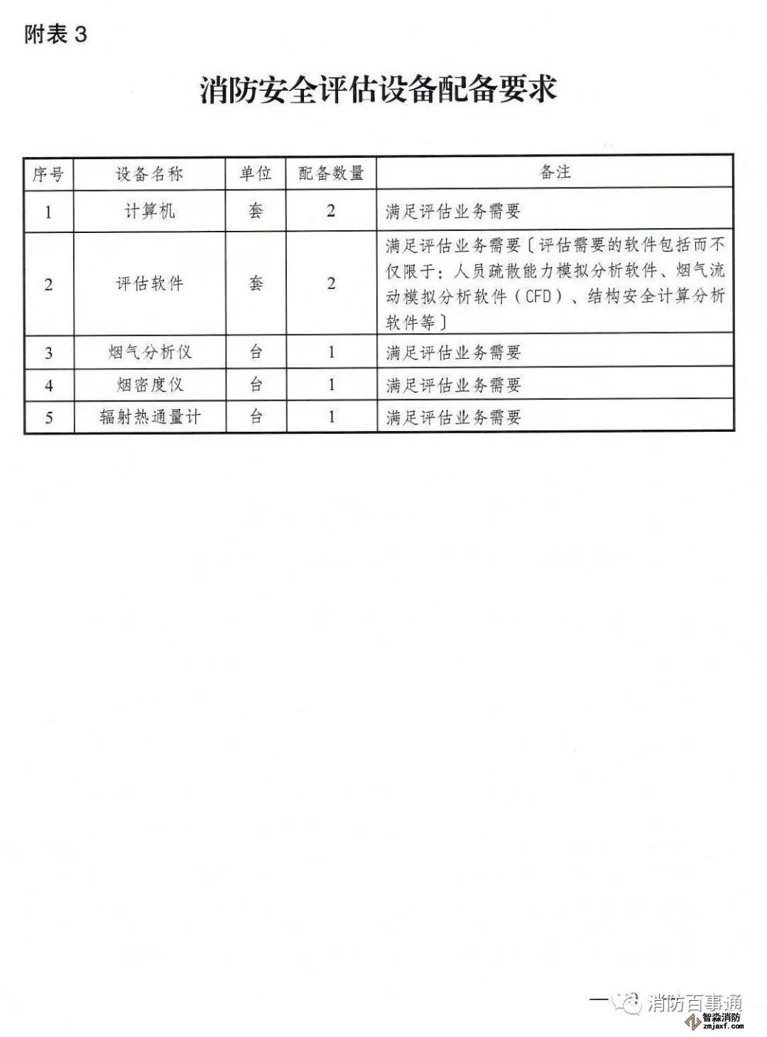
消防技术服务机构从业条件
第一条
为了规范消防技术服务机构从业活动,提升消防技术服务质量,根据《中华人民共和国消防法》和有关规定,制定本从业条件。
第二条
第三条
第四条
第五条
第六条
第七条
第八条






























苏公网安备32058102002160号
客服QQ